Page 2 sur 3
Re: Faisceau Clignotants Someca 312R
Posté : 05 déc. 2022 09:10
par Trez31
Après avoir nettoyer un peu ce week-end, l'amas de câbles groupés à gauche sur la photo, sont les câbles des veilleuses des feux arrières + prise remorque. J'en déduis donc que sur le 312R, il n'y avait pas de feux arrières d'origine et qu'ils ont été ajoutés comme les clignotants. À l'arrière, il ne devait y avoir que les catadioptres.
Maintenant que tout est à sa place, Il me reste à câbler la centrale clignotante, l'éclaireur de plaque AR et le gyrophare.
Et il me reste une interrogation, ce plot "rouge" avec un câble dans le vide , est-ce un voyant? À quoi sert-il?
Re: Faisceau Clignotants Someca 312R
Posté : 05 déc. 2022 09:13
par jj
ce n'est pas d'origine !
peut etre un témoin des bougies de chauffage ?
Re: Faisceau Clignotants Someca 312R
Posté : 05 déc. 2022 12:16
par jean claude 2320
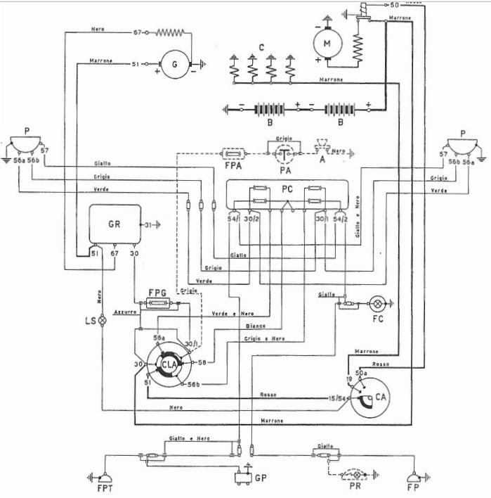
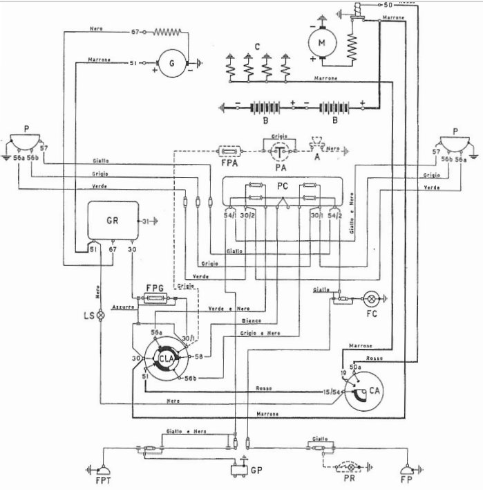
Bonjour, "FC : illuminazione cruscotto": éclairage tableau de bord.
Voici le schéma électrique

- Schéma électrique_ 2022-12-05 121150.png (188.1 Kio) Vu 2686 fois
Re: Faisceau Clignotants Someca 312R
Posté : 05 déc. 2022 12:57
par Trez31
Merci pour vos retours.
Jj, je pense que c'est d'origine vu la forme du tableau de bord à cet endroit là.
Je pensais bien à un voyant de veilleuse et/ou codes. Je vais tester tout ça en y mettant le 24V

Re: Faisceau Clignotants Someca 312R
Posté : 05 déc. 2022 13:14
par jean claude 2320
Donc "gialle": fil jaune.
Re: Faisceau Clignotants Someca 312R
Posté : 05 déc. 2022 13:22
par jj
poste de conduite et tableau de bord SOM 312
Re: Faisceau Clignotants Someca 312R
Posté : 05 déc. 2022 13:37
par jean claude 2320
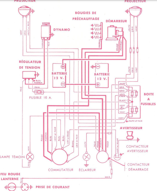
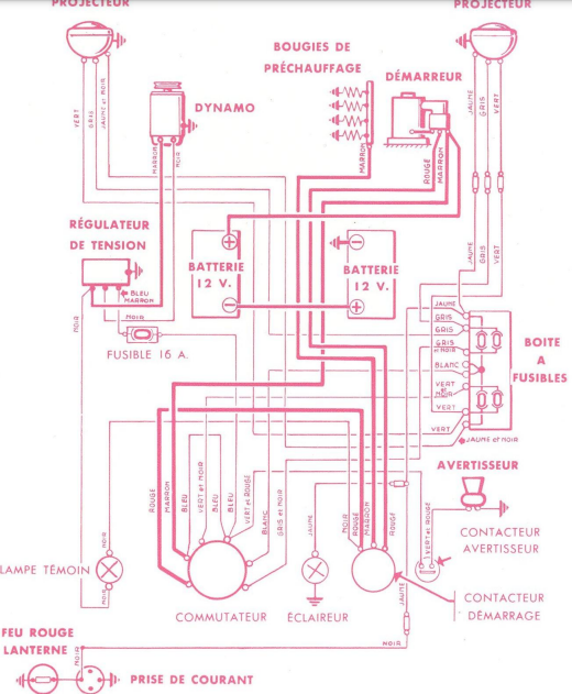
Et l'éclairage est en haut:

- Capture d’écran 2022-12-05 133442.png (471.7 Kio) Vu 2677 fois

- schéma élect en fr_ 2022-12-05 132935.png (350.68 Kio) Vu 2677 fois
Re: Faisceau Clignotants Someca 312R
Posté : 05 déc. 2022 18:23
par gilcop77
A l'époque un seul feu rouge à l'arriére était obligatoire,à gauche.
L'éclairage de plaque était branché sur le mème fil et le feu de travail qui avait un interrupteur incorporé.
Re: Faisceau Clignotants Someca 312R
Posté : 06 déc. 2022 16:17
par Trez31
Donc, par déduction, le voyant qui était en haut au centre, a été déplacé en bas à droite. Et le commutateur de clignotant a été placé à la place du voyant.
A l'arrière, ils ont donc refait entièrement le câblage :
ARG : feu rouge + clignotant, prise attelage
ARD : feu rouge + clignotant, projecteur de travail
Sous siège : éclaireur de plaque
Re: Faisceau Clignotants Someca 312R
Posté : 06 déc. 2022 16:19
par Trez31