Page 1 sur 1
info pompe injection someca 670
Posté : 08 nov. 2021 11:52
par CHBO
bonjour à tous!
j'ai un client qui recherche l'arbre principale d'une pompe injection pour un SOMECA 670; sur quel autre modèle de la gamme trouve t'on cette pompe?
merci d'avance
Re: info pompe injection someca 670
Posté : 08 nov. 2021 13:33
par jj
CHRISTOPHE tu as deux 670 le premier avant 1970 est équivalent au 750
le deuxième est un 680 sans plate forme
c'est lequel ?
Re: info pompe injection someca 670
Posté : 08 nov. 2021 19:13
par jean claude 2320
Salut Christophe,
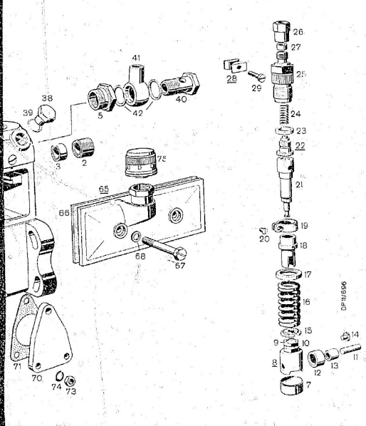
l'arbre 765064 est commun au 715, 715L , 750.
A voir si c'est le même sur le 1er 670, à priori oui, il est entre le 715 et le 750.
Les 715

- Capture d’écran 2021-11-08 190103.png (105.84 Kio) Vu 2575 fois
Le 750
Re: info pompe injection someca 670
Posté : 08 nov. 2021 19:42
par jean claude 2320
http://vieilles-soupapes.1fr1.net/t2213 ... someca-670
Extrait du reportage du 670 semble identique au 750

- Capture d’écran 2021-11-08 193543.png (179.67 Kio) Vu 2573 fois
Re: info pompe injection someca 670
Posté : 09 nov. 2021 09:25
par Criters
le joint 66 est super important ! j'ai eu du mal à le trouver mais sans lui la surcharge se grippe souvent (je dis ça en passant car après changement et un petit degrippage plus de soucis

)
Re: info pompe injection someca 670
Posté : 17 nov. 2021 10:55
par CHBO
jj a écrit : ↑08 nov. 2021 13:33
CHRISTOPHE tu as deux 670 le premier avant 1970 est équivalent au 750
le deuxième est un 680 sans plate forme
c'est lequel ?
désolé jj mais je n'ai pas eu d'alerte de réponse!!
c'est bien un someca 670 et non un fiat someca 670(capot carré et phare dans la calandre)
Re: info pompe injection someca 670
Posté : 17 nov. 2021 11:17
par jj
la pompe de 750 voire du 800/850 doit etre identique si tu as la meme marque
Re: info pompe injection someca 670
Posté : 17 nov. 2021 13:24
par jean claude 2320
Salut Christophe, je t'ai mis les vues plus haut du 750 et 715.
Re: info pompe injection someca 670
Posté : 17 nov. 2021 14:21
par CHBO
bine reçu, merci!