Page 1 sur 1
Vidange réducteur PA Fiat 60-86 DT
Posté : 07 déc. 2021 21:48
par Mathieu66
Bonsoir tout le monde,
Ayant acheté un Fiat 60-86 récemment,
je viens de faire une vidange de l'huile moteur et du pont avant mais je ne vois pas le bouchon devant le réducteur donc j'aurai besoin d'aide pour m'indiqué où est situé ce bouchon alors qu'il est facilement visible sur mes autres tracteurs
Voici une photo
Merci d'avance

Re: Vidange réducteur PA Fiat 60-86 DT
Posté : 08 déc. 2021 09:02
par jj
je ne connais pas bien le 60+86 mais je pense qu'en dévissant un boulon du réducteur
une présentation de ce tracteur nous intéresse
Re: Vidange réducteur PA Fiat 60-86 DT
Posté : 08 déc. 2021 14:45
par jean claude 2320
Bonjour et bienvenu.
C'est quel modèle ?
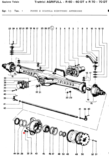
Les 55-86 et 60-86 ne sont pas équipés du même pont avant que les 8 autres modèles de la série 86 (pas FIAT , plutôt AGRIFULL TOSELLI).Réducteurs avant: 1,2l seulement les Fruitiers 55-86 F, 60-86 F:
Voici le repère 32 , vidange et niveau réducteurs et vidange pont:

- REDUCT PA 60-86_Capture d’écran 2021-12-08 154130.png (99.68 Kio) Vu 2788 fois

- REDUCT PA 60-86 -REF_Capture d’écran 2021-12-08 154532.png (98.46 Kio) Vu 2788 fois
Re: Vidange réducteur PA Fiat 60-86 DT
Posté : 08 déc. 2021 22:04
par Mathieu66
Merci pour vos réponse je viens de faire la présentation,
c'est un modèle vigneron voici la photo
J'ai déjà cherché derrière la roue mais je n'ai pas trouvé de bouchon, je pense que la vidange ce fait comme jj le dit
par contre comment je sais le niveau? Juste en ajoutant la quantité indiqué c'est à dire 1.2l par réducteur ou en tout ?
Re: Vidange réducteur PA Fiat 60-86 DT
Posté : 09 déc. 2021 06:04
par olivier.r
bonjour,
pour refaire ton niveau dans le réducteur il faut le tourner de façon à ce que ton orifice de vidange ce retrouve à l'horizontal et tu injectes l'huile jusqu'à débordement
Re: Vidange réducteur PA Fiat 60-86 DT
Posté : 09 déc. 2021 09:05
par jean claude 2320
Bonjour,
il est très beau et en bon état.
1,2 l d'huile par réducteur, seulement pour le modèle Fruitier Verger.

- Capture d’écran 2021-12-09 090846.png (251.83 Kio) Vu 2771 fois
Re: Vidange réducteur PA Fiat 60-86 DT
Posté : 09 déc. 2021 12:53
par Mathieu66
olivier.r a écrit : ↑09 déc. 2021 06:04
bonjour,
pour refaire ton niveau dans le réducteur il faut le tourner de façon à ce que ton orifice de vidange ce retrouve à l'horizontal et tu injectes l'huile jusqu'à débordement
Il n'y a pas d'orifice au milieu du réducteur donc ça doit être un des boulons
Re: Vidange réducteur PA Fiat 60-86 DT
Posté : 09 déc. 2021 12:54
par Mathieu66
jean claude 2320 a écrit : ↑09 déc. 2021 09:05
Bonjour,
il est très beau et en bon état.
1,2 l d'huile par réducteur, seulement pour le modèle Fruitier Verger.
Capture d’écran 2021-12-09 090846.png
C'est un modèle vigneron, c'est pareil ?
Re: Vidange réducteur PA Fiat 60-86 DT
Posté : 09 déc. 2021 13:00
par jean claude 2320
Il y a pas de bouchon coté intérieur comme sur l' Agrifull?
Re: Vidange réducteur PA Fiat 60-86 DT
Posté : 09 déc. 2021 13:25
par Mathieu66
jean claude 2320 a écrit : ↑09 déc. 2021 13:00
Il y a pas de bouchon coté intérieur comme sur l' Agrifull?
J'avais déjà vérifié et je n'en ai pas vu