vis de purge pompe injection som 25d

Recherche-Vente de pièces, machine, ...
TITOUSAN
Nouveau Fiatagrinaute
Nouveau Fiatagrinaute
Messages : 2
Enregistré le : 27 août 2024 16:18

vis de purge pompe injection som 25d

  • Citer
  • Connect toi pour aimer ce post

Message non lu par TITOUSAN »

Bonjour

Je suis à la recherche d'un vis de purge de la pompe à injection pour un SOMECA 25D de 1961. Où peut-on en trouver un ?

Cordialement
jean claude 2320
Fiatagrinaute de Paladium
Fiatagrinaute de Paladium
Messages : 3417
Enregistré le : 15 avr. 2017 01:00
Localisation : Béarn, Vic-Bilh
x 294
x 209

Re: vis de purge pompe injection som 25d

  • Citer
  • Connect toi pour aimer ce post

Message non lu par jean claude 2320 »

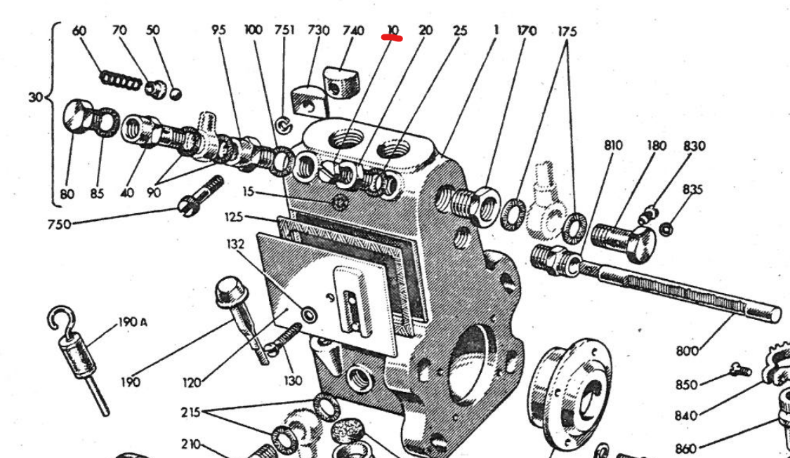
Bonjour, chez un dépositaire CNH NEWHOLLAND. Elle est commune à plusieurs pompes en ligne Bosch (jusqu'au 750).Ne pas oublier le joint de cuivre dessous. Elle s'est perdue?
Vis de purge 10_ 2024-08-27 164710.png
vis de purge_2024-08-27 164916.png
TITOUSAN
Nouveau Fiatagrinaute
Nouveau Fiatagrinaute
Messages : 2
Enregistré le : 27 août 2024 16:18

Re: vis de purge pompe injection som 25d

  • Citer
  • Connect toi pour aimer ce post

Message non lu par TITOUSAN »

Bonjour

elle s'est cassée. Merci pour la réponse

Cordialement
Répondre