SOM 271: TRAIN AVANT PARTICULIER

Pour présenter tous vos travaux , restaurations, entretiens de matériels divers
jean claude 2320
Fiatagrinaute de Paladium
Fiatagrinaute de Paladium
Messages : 3511
Enregistré le : 15 avr. 2017 01:00
Localisation : Béarn, Vic-Bilh
x 299
x 211

SOM 271: TRAIN AVANT PARTICULIER

  • Citer
  • Connect toi pour aimer ce post

Message non lu par jean claude 2320 »

Bonjour,
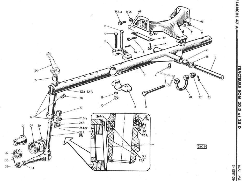
Le SOM 271 sortit en1964,1965 avant le 215 et après le SOM 25 n'a pas les mêmes demi-essieux que tout les autres.
Ceux des SOM 20,25,215, 250,300 sont identiques.

Les portes fusées ont un diamètre intérieur plus petit, donc les 4 coussinets en bronze 27 (55 95 45) ne s'y montent pas.

En novembre 1995, j'avais mis le train avant du 271 sur le 25 et le train avant du 25 sur l'épave du 271.
Actuellement il est tellement usé donc il a fallu intervenir.
J'ai dû récupérer le train avant du 25 sur l'épave du 271 , vu que les coussinets ne s'y montent pas .La pièce d'origine est introuvable car le 271 a été très peu produit et il n'y a pas de catalogue des pièces.

Avant de mettre les demi- essieux dans la partie centrale(essieu fixe), il a fallu recharger en soudure et meuler au Dremel les bas des porte- fusées car il sont ovalisés; Mise en place des coussinets en bronze 559545 et des rondelles de butée( celles en bronze 26 A (5144754) sous celles en acier 26bis(567499) sans les pions sur les fusées du 271. Ces fusées ont été conservées car celles du 25 sont trop usées. Sans les pions d'arrêt 26 ter non fournis ( pouvant être remplacé par des goupilles mécanimbus de 5)car il s'avère qu'il y a trop d'usure pour la prise sur le châssis . Ensuite un bon graissage de l'ensemble.
Ensuite changement des roulements droits des roues qui sont bien usés.
Le Som 25 vient d'avoir 62 ans le 24/08/2023.Les roulements étaient du 271 (02/09/1964).

Capture d’écran 2023-08-27 084548.png
IMG20230825095258.jpg
IMG20230825095434_BURST000_COVER.jpg
Comparatif entre le coussinet commun à tous les modèles(à gauche) et celui spécifique de 271 fendu tout le long(à droite).
IMG20230824174404.jpg
IMG20230824174414.jpg
IMG20230824174347.jpg
Fichiers joints
Plaques d'identification_ 2023-08-26 164751 .png
Capture d’écran 2023-08-27 084939.png
Capture d’écran 2023-08-27 084939.png (323.37 Kio) Vu 2463 fois
jj
Fiatagrinaute de Paladium
Fiatagrinaute de Paladium
Messages : 10192
Enregistré le : 04 sept. 2012 01:00
Localisation : PLABENNEC
x 227

Re: SOM 271: TRAIN AVANT PARTICULIER

  • Citer
  • Connect toi pour aimer ce post

Message non lu par jj »

le montage avec des roulements droits est semblable aux suivants 400 à 640 (dimensions différentes)
je n'ai jamais compris pourquoi lors des interventions ces pièces étaient remplacées par des coniques
et l'entretoise était supprimée
jean claude 2320
Fiatagrinaute de Paladium
Fiatagrinaute de Paladium
Messages : 3511
Enregistré le : 15 avr. 2017 01:00
Localisation : Béarn, Vic-Bilh
x 299
x 211

Re: SOM 271: TRAIN AVANT PARTICULIER

  • Citer
  • Connect toi pour aimer ce post

Message non lu par jean claude 2320 »

Merci JJ pour l'info. Pourquoi avait t'il modifié le demi-essieu? Il vient du modèle argentin CONCORD SOMECA U 25?
jj
Fiatagrinaute de Paladium
Fiatagrinaute de Paladium
Messages : 10192
Enregistré le : 04 sept. 2012 01:00
Localisation : PLABENNEC
x 227

Re: SOM 271: TRAIN AVANT PARTICULIER

  • Citer
  • Connect toi pour aimer ce post

Message non lu par jj »

la modification du demi-essieu est fonction des pneus arrieres ou du grand-dégagement
jean claude 2320
Fiatagrinaute de Paladium
Fiatagrinaute de Paladium
Messages : 3511
Enregistré le : 15 avr. 2017 01:00
Localisation : Béarn, Vic-Bilh
x 299
x 211

Re: SOM 271: TRAIN AVANT PARTICULIER

  • Citer
  • Connect toi pour aimer ce post

Message non lu par jean claude 2320 »

Mes 2 tracteurs sont identiques en tailles de pneus et équipements , à part le contrôle pour le relevage que j'avais récupéré en octobre 1995.Les demi essieux sont différents sur 271, pourquoi?
jj
Fiatagrinaute de Paladium
Fiatagrinaute de Paladium
Messages : 10192
Enregistré le : 04 sept. 2012 01:00
Localisation : PLABENNEC
x 227

Re: SOM 271: TRAIN AVANT PARTICULIER

  • Citer
  • Connect toi pour aimer ce post

Message non lu par jj »

JEAN CLAUDE peut etre le pays de fabrication ????
jean claude 2320
Fiatagrinaute de Paladium
Fiatagrinaute de Paladium
Messages : 3511
Enregistré le : 15 avr. 2017 01:00
Localisation : Béarn, Vic-Bilh
x 299
x 211

Re: SOM 271: TRAIN AVANT PARTICULIER

  • Citer
  • Connect toi pour aimer ce post

Message non lu par jean claude 2320 »

jj
Fiatagrinaute de Paladium
Fiatagrinaute de Paladium
Messages : 10192
Enregistré le : 04 sept. 2012 01:00
Localisation : PLABENNEC
x 227

Re: SOM 271: TRAIN AVANT PARTICULIER

  • Citer
  • Connect toi pour aimer ce post

Message non lu par jj »

il est tres beau
par contre JEAN CLAUDE ce collectionneur n'a pas fait comme toi : des graisseurs sur chaque rotule
jean claude 2320
Fiatagrinaute de Paladium
Fiatagrinaute de Paladium
Messages : 3511
Enregistré le : 15 avr. 2017 01:00
Localisation : Béarn, Vic-Bilh
x 299
x 211

Re: SOM 271: TRAIN AVANT PARTICULIER

  • Citer
  • Connect toi pour aimer ce post

Message non lu par jean claude 2320 »

Oui, mais c'est pas le même montage. D'ailleurs s'il veut changer de voie, je ne vois pas comment il fait, de l'autre coté, au milieu peut-être? Merci pour ton humour!
Rotule U 25_2023-08-28 223018.png
Rotule U 25_2023-08-28 223018.png (29.35 Kio) Vu 2358 fois
Répondre