Bonjour à tous, j’ai des problèmes avec mes phares de travail sur mon 100-90. J’ai voulu changer mes relais et mon bouton interrupteur pour être tranquille car ils déconné de temps à autre mais le problème c’est qu’il reste allumer en continu même les veilleuses éteinte. Quelqu’un pourrai m’indiquer les branchement sur les relais et l’interrupteur( avec couleur si possible ) s’il vous plait ?
Par avance, merci
Phare de travail
-
Bruneau Dimitri
- Débutant Fiatagrinaute

- Messages : 28
- Enregistré le : 13 févr. 2024 13:05
- x 1
-
jean claude 2320
- Fiatagrinaute de Paladium

- Messages : 3528
- Enregistré le : 15 avr. 2017 01:00
- Localisation : Béarn, Vic-Bilh
- x 299
- x 212
Re: Phare de travail
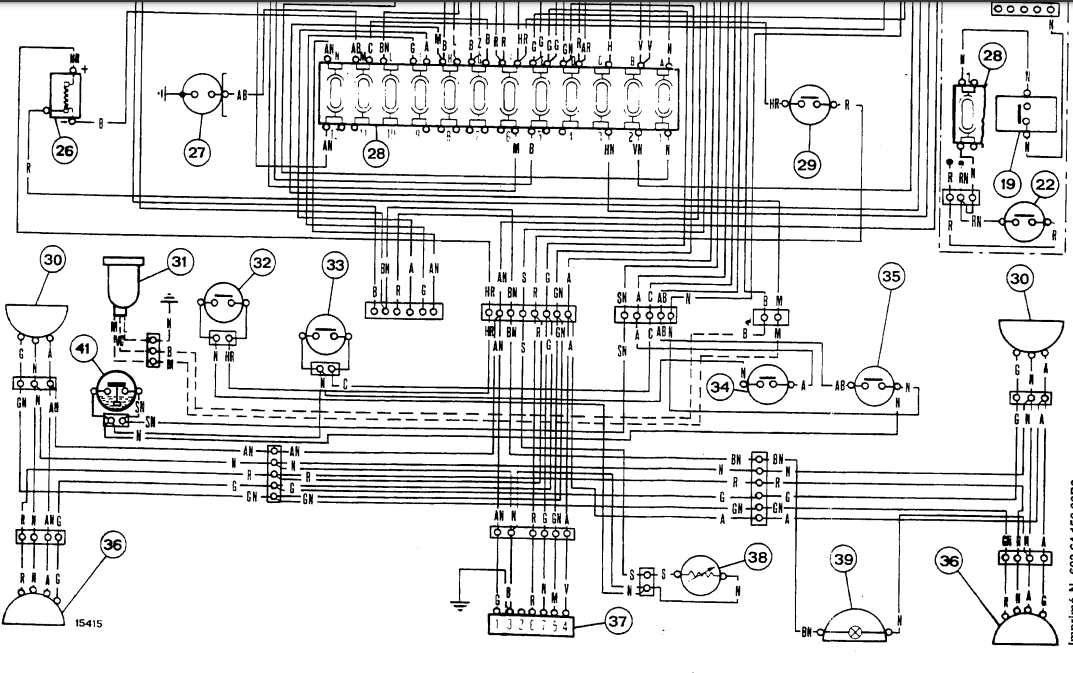
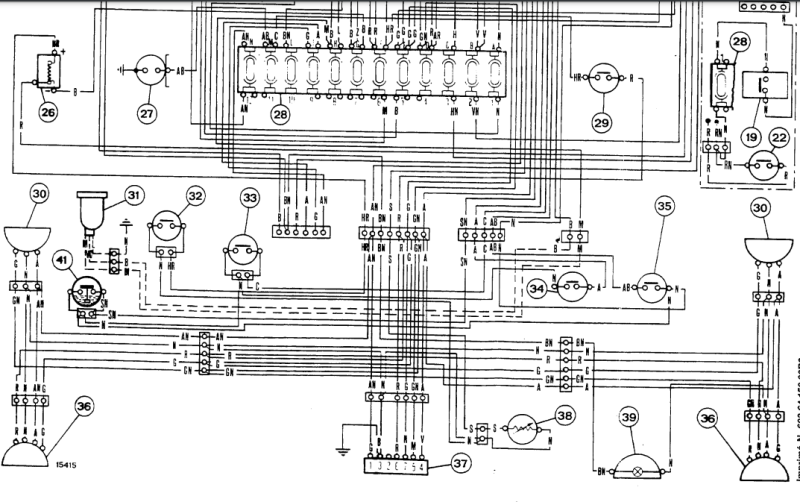
Bonjour Dimitri, voici les schémas électriques suivant le type de cabine:
-
Bruneau Dimitri
- Débutant Fiatagrinaute

- Messages : 28
- Enregistré le : 13 févr. 2024 13:05
- x 1
Re: Phare de travail
Bonjour, je reviens vers vous concernant mes phares, les relais fonctionne, le bouton est neuf, les feux arrière s’allume en dernière position mais les feux avant ne fonctionne toujours pas lorsque je met les fiches plus et moin ensemble sans le relais ils fonctionnent. Avez vous une idée ? Par avance merci
-
thierry 1968
- Fiatagrinaute de Paladium

- Messages : 1696
- Enregistré le : 05 mars 2012 00:00
- x 22
Re: Phare de travail
Bonsoir
tu a 2 relais , 1 pour les feux de travail avant , et l'autre pourles feux de travail arrière
chaque relais a 4 fiches
fiche 30 c'est l'alimentation venant de la batterie = 12v
fiche 87 c'est sortie vers les feux de travail
fiche 86 c'est excitation venant de l'interrupteur ( 12v sorti de l'inter )
fiche 85 c'est la masse
lorsque tu appuie sur l'interrupteur tu envoie du 12v pour excité le relais et le contact se fait entre la fiche 30 et 87 ( batterie vers les feux de travail ) donc il peut claqué , mais ci il n'est pas alimenté sur la ligne de puissance les feux ne peut pas fonctionné
donc bien vérifier ci il est bien alimenté sur la fiche 30
ligne puissance entre les fiches 30 et 87
ligne de pilotage entre les fiches 86 et 85
A + Thierry
tu a 2 relais , 1 pour les feux de travail avant , et l'autre pourles feux de travail arrière
chaque relais a 4 fiches
fiche 30 c'est l'alimentation venant de la batterie = 12v
fiche 87 c'est sortie vers les feux de travail
fiche 86 c'est excitation venant de l'interrupteur ( 12v sorti de l'inter )
fiche 85 c'est la masse
lorsque tu appuie sur l'interrupteur tu envoie du 12v pour excité le relais et le contact se fait entre la fiche 30 et 87 ( batterie vers les feux de travail ) donc il peut claqué , mais ci il n'est pas alimenté sur la ligne de puissance les feux ne peut pas fonctionné
donc bien vérifier ci il est bien alimenté sur la fiche 30
ligne puissance entre les fiches 30 et 87
ligne de pilotage entre les fiches 86 et 85
A + Thierry
-
Bruneau Dimitri
- Débutant Fiatagrinaute

- Messages : 28
- Enregistré le : 13 févr. 2024 13:05
- x 1
Re: Phare de travail
Bonjour, ça fonctionne ! Merci beaucoup pour votre aide !!