ford pont arrière

Concernant les pannes des ponts, boites et freins
thierry 1968
Fiatagrinaute de Paladium
Fiatagrinaute de Paladium
Messages : 1696
Enregistré le : 05 mars 2012 00:00
x 22

Re: ford pont arrière

  • Citer
  • Connect toi pour aimer ce post

Message non lu par thierry 1968 »

Bonsoir

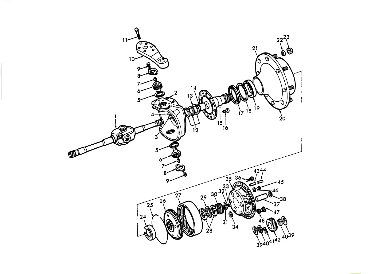
oui c'est le joint spy coté pont mais temps que c'est démonté change coté réducteur car c'est le même travail :hehe: :hehe:
FORD1.jpg
FORD2.jpg
A + Thierry
FA 82-94
Fiatagrinaute d'Argent
Fiatagrinaute d'Argent
Messages : 199
Enregistré le : 18 janv. 2024 07:29

Re: ford pont arrière

  • Citer
  • Connect toi pour aimer ce post

Message non lu par FA 82-94 »

Salut Thierry,

Décidément ... Je suis en formation joints entre le fiat et celui là :o :o :o
Ok ,merci pour les éclatés.
Tant qu'a faire, je vais faire les 2 comme tu dis.

Le joint spy sur le réducteur c'est le 19 ?
Faut il une clef particulière pour le réducteur (comme le fiat, clé de 100), ou ca se fait simplement ?

Merci !
thierry 1968
Fiatagrinaute de Paladium
Fiatagrinaute de Paladium
Messages : 1696
Enregistré le : 05 mars 2012 00:00
x 22

Re: ford pont arrière

  • Citer
  • Connect toi pour aimer ce post

Message non lu par thierry 1968 »

bonsoir
non le joint spy c'est le 12 et non tu n'a pas a touché au gros écrou il suffit de défaire le circlips 34 une fois le couvercle enlevé , défaire les pivots inférieur et supérieur sortir le réducteur enlevé l'arbre de transmission puis remplacé les joints coté pont et coté réducteur

A + Thierry
FA 82-94
Fiatagrinaute d'Argent
Fiatagrinaute d'Argent
Messages : 199
Enregistré le : 18 janv. 2024 07:29

Re: ford pont arrière

  • Citer
  • Connect toi pour aimer ce post

Message non lu par FA 82-94 »

Salut Thierry,

OK je te remercie pour tout cela. Je m'y suis pas encore attaqué mais prochainement.
Merci
FA 82-94
Fiatagrinaute d'Argent
Fiatagrinaute d'Argent
Messages : 199
Enregistré le : 18 janv. 2024 07:29

Re: ford pont arrière

  • Citer
  • Connect toi pour aimer ce post

Message non lu par FA 82-94 »

Salut ...
Me revoilà !
J'ai commencé à démonter pour la trompette.
J'ai étayé le tracteur, enlevé la roue, enlevé le garde boue, enlevé les boulons, et la j'ai essayé de faire venir la trompette. Problème, elle bute contre le bloc du cardan de transmission. voir photo.
Avez vous une solution pour cela ou faut t'il que je dépose aussi ce bloc ?
Je n'ose pas pencher la trompette car je suppose qu'il y a une cannelure dedans sur quelques bons cm et je risquerai de la tordre si je fais pivoter la trompette trop tôt . Je me trompe ?
Merci pour vos avis
Fichiers joints
IMG_6445.jpeg
IMG_6443.jpeg
thierry 1968
Fiatagrinaute de Paladium
Fiatagrinaute de Paladium
Messages : 1696
Enregistré le : 05 mars 2012 00:00
x 22

Re: ford pont arrière

  • Citer
  • Connect toi pour aimer ce post

Message non lu par thierry 1968 »

Bonjour

il faut tourné la trompette sur elle même pour déplacé ce qui gène

A + Thierry
jj
Fiatagrinaute de Paladium
Fiatagrinaute de Paladium
Messages : 10192
Enregistré le : 04 sept. 2012 01:00
Localisation : PLABENNEC
x 227

Re: ford pont arrière

  • Citer
  • Connect toi pour aimer ce post

Message non lu par jj »

FORD = Fabrication Ordinaire Réparation Difficile :diable:
FA 82-94
Fiatagrinaute d'Argent
Fiatagrinaute d'Argent
Messages : 199
Enregistré le : 18 janv. 2024 07:29

Re: ford pont arrière

  • Citer
  • Connect toi pour aimer ce post

Message non lu par FA 82-94 »

Enfin j'y suis arrivé ce soir !

(L'acronyme de FORD est pas mal :hehe: :hehe: :hehe: )

Je vois deux écrous à dévisser, c'est par là que je dois attaquer ? et suivre ta description après Thierry ?

Merci à vous
Fichiers joints
IMG_6480.jpeg
IMG_6478.jpeg
thierry 1968
Fiatagrinaute de Paladium
Fiatagrinaute de Paladium
Messages : 1696
Enregistré le : 05 mars 2012 00:00
x 22

Re: ford pont arrière

  • Citer
  • Connect toi pour aimer ce post

Message non lu par thierry 1968 »

Bonsoir

normalement il y a 3 ou 4 vis/écrou qui sont autour du bloc de frein , une fois enlevé le bloc de frein oui tu suis ma description


A + Thierry
FA 82-94
Fiatagrinaute d'Argent
Fiatagrinaute d'Argent
Messages : 199
Enregistré le : 18 janv. 2024 07:29

Re: ford pont arrière

  • Citer
  • Connect toi pour aimer ce post

Message non lu par FA 82-94 »

Salut Thierry,

OK d'accord.

Je suis à ce stade la. La tige ne veut pas sortir par l'arrière de la trompette (mais elle bouge bien quand même). Dois je la faire sortir de force ? Je ne vois pas ce qui l'empêche de sortir.
Fichiers joints
IMG_6490 - Grande.jpeg
Répondre