Page 2 sur 9
Re: Rénovation hydraulique et circuit eau someca 215
Posté : 31 août 2025 00:05
par Ben_14
Merci en tout cas Jean Claude.
L'huile était noire et il n'y avait pas de résidu sur la grille.
Plus qu'à remonter (j'attends une durite bypass 40 45 car les nouvelles pompes à eau ont une sortie 45.
La pipe à eau sera neuve elle aussi (trouvé via le réseau)
@jean Claude est ce intéressant de conserver pour pièce l'ancienne pompe à eau pour pièce de rechange? Il faut changer un roulement pour qu'elle refonctionne. Mais pas sur d'en trouver ?
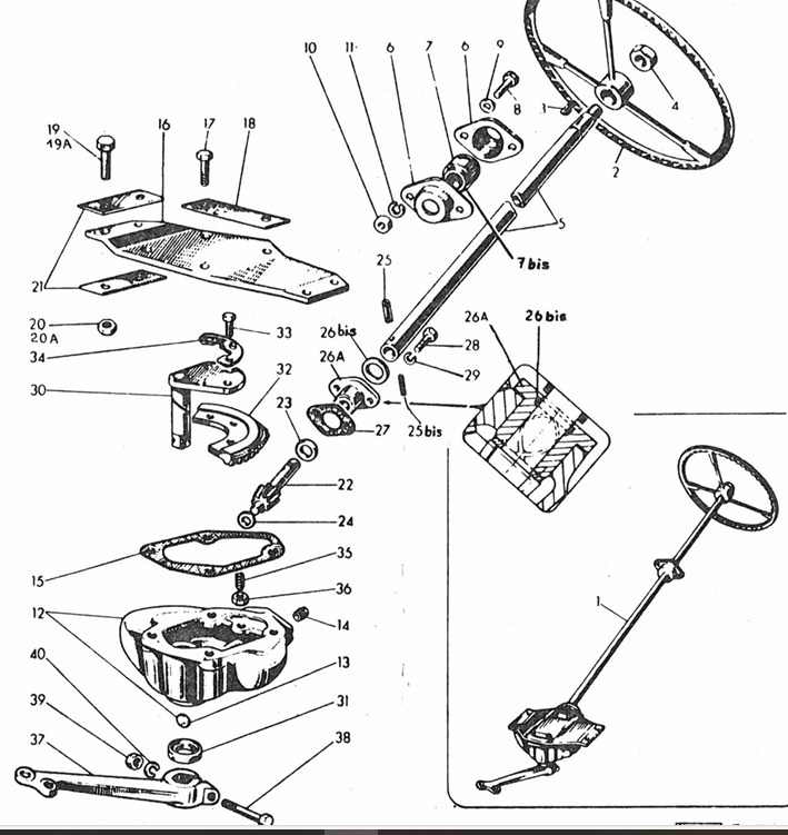
Est-ce compliqué de démonter le boîtier de direction ? J'ai une biellette de direction qui peut tomber si elle n'est pas bien maintenue apparemment la?
Bien cordialement,
Benoit
Re: Rénovation hydraulique et circuit eau someca 215
Posté : 31 août 2025 07:20
par jean claude 2320
Bonjour Benoit,
Il faut toujours conserver les vieilles pièces.
Direction:
sur mon SOM 25, j'avais du jeu dans la direction. En fait çà venait de la biellette 37 de sortie du boitier.
Elle était très bien serrée sur l'arbre 30 mais avait du jeu. Donc j'ai démonté et en remontant j'ai intercalé un bout de lame de couteau de 0,8mm d'épaisseur et resserré et tout va très bien. 31 ,c'est le joint d'étanchéité.

- Direction SOM 25_ 2025-08-31 072932.png (234.69 Kio) Vu 1124 fois
Re: Rénovation hydraulique et circuit eau someca 215
Posté : 31 août 2025 09:06
par jj
pour la pompe à eau le roulement est facile à trouver il te faut aussi le joint ainsi que vraisemblablement l'axe
et la turbine qui risquent d'atteindre pratiquement le prix de la pompe complète
Re: Rénovation hydraulique et circuit eau someca 215
Posté : 04 sept. 2025 16:19
par Ben_14
Quelques photos de la rénovation.
A noter que le bleu en bombe n'est pas aussi pétant que celui de someca. Et différent selon les boutiques.
Prochaine étape rénover le radiateur de l'intérieur avec les produits.
Des adaptations à faire avec la pompe à eau pour la dynamo
Re: Rénovation hydraulique et circuit eau someca 215
Posté : 04 sept. 2025 18:02
par jean claude 2320
Bonjour Benoît, le radiateur peut être noir aussi, mais c'est bien comme tu l'as.
Pour la dynamo, tu pourrais peut-être faire le pas de mettre un alternateur, c'est nettement mieux!
Bonne suite.
Re: Rénovation hydraulique et circuit eau someca 215
Posté : 04 sept. 2025 19:49
par Ben_14
Bonjour Jean Claude,
Oui j'ai vu qu'on peut mettre un alternateur qui est plus confortable et fiabilise plus.
Par contre ça veut dire refaire le circuit électrique.
Pour le moment pour le matériel la dynamo assure le job. Mais j'ai le démarreur qui déconne et se met de temps en temps à la masse....problème dans le démarreur.
Si je refait la peinture sur tout le moteur faut il démonter toute les pièces et rassembler. Est ce que ça peut se faire au fur et à mesure. Un sujet de réflexion. La peinture c'est chronophage quand on la fait soit même...
Re: Rénovation hydraulique et circuit eau someca 215
Posté : 04 sept. 2025 20:01
par jean claude 2320
Pour le démarreur, fait gaffes au gros câble qui rentre dedans soit bien isolé. Mettre de la pâte isolante à tout le tour à ce niveau. C'est le + qui vient du relais solénoïde.
Re: Rénovation hydraulique et circuit eau someca 215
Posté : 04 sept. 2025 21:00
par Ben_14
Une photo du remontage des pompes avec vu sur le moteur
Re: Rénovation hydraulique et circuit eau someca 215
Posté : 04 sept. 2025 21:04
par Ben_14
Question subsidiaire est ce que ça veut le coup de mettre un détartrant dans le radiateur et le circuit? J'ai un autre produit pour boucher les microfissure aussi
Re: Rénovation hydraulique et circuit eau someca 215
Posté : 04 sept. 2025 21:13
par jean claude 2320
Si l'eau de rinçage coule claire, sans débris, il vaut mieux laisser comme çà. Car si c'est trop détartré , çà peut engendrer des micro fuites, vu l'âge.