Page 4 sur 4
Re: avis tracteur
Posté : 06 déc. 2021 16:24
par jean claude 2320
Electrovanne

- Capture d’écran 2021-12-06 161822.png (27.87 Kio) Vu 2261 fois
Tu as raison, je me suis trompé.
En vert l'ensemble que j'ai entouré samedi;
En rouge, celui que tu as entouré en rouge (+ vis ,rondelle et joint dessous).

- Capture d’écran 2021-12-06 173440.png (188.66 Kio) Vu 2255 fois
Re: avis tracteur
Posté : 06 déc. 2021 17:56
par tonio85
Une idée de ce que ça peut être?
Est-ce dû à une trop forte pression dans la PI, pourtant le tracteur tourne nickel
Et quoi faire pour réparer cette fuite?? Argll

Re: avis tracteur
Posté : 06 déc. 2021 19:15
par tonio85
Ça me parait bien compliqué à changer sans la dépose
Re: avis tracteur
Posté : 06 déc. 2021 21:26
par jean claude 2320
Re: avis tracteur
Posté : 07 déc. 2021 15:06
par tonio85
Bonjour. J'ai regardé il n'y a rien qui se dévisse de l'extérieur. Rien ne bouge, ça a l'air fixé par l'intérieur..
Pensez vous que ça puisse juste être rentré en force, et donc démontable en tirant dessus vers l'extérieur?? En effet plusieurs forums parle de bouchon de visite de PI juste enfoncé, mais je croyais qu'il y avait beaucoup de pression là dedans??
Re: avis tracteur
Posté : 07 déc. 2021 17:53
par jean claude 2320
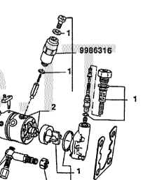
En effet, on dirait que en bout 79070172 est une collerette sertie. Tout ce qui est précédé par un "1" avant la référence sont 2 joints toriques dans cet ensemble..la réf du 79070170 est remplacée par 79071796(bizarre même n° que le kit)

- 265824.png (22.25 Kio) Vu 2184 fois
Tout le détail des ref. Attention , traduction littérale. Remarque: 79071796:kit de joints;

- Capture d’écran 2021-12-07 194142.png (73.27 Kio) Vu 2180 fois
Re: avis tracteur
Posté : 07 déc. 2021 18:10
par tonio85
Oui apparemment, mais cet "ensemble" s'enlève-t-il par l'extérieur ou par l'intérieur???