Page 1 sur 1
Manette variospeed bloqué 100/90
Posté : 29 juin 2024 18:33
par Alexis76
Bonjour à tous,
Ma manette variospeed est bloqué en position -..
Dur comme de l'acier, elle bouge pas d'un pouce.
Une idée du souci svp ?
Autre question est il possible de bloquer le relevage arrière en position fixe en cas de force poussante ?
Je sais que le relevage est en simple effet, j'ai mis un enfonce pieux derrière mais c'est le 3 points qui relève et non le pieux qui s'enfonce..
Merci++
Re: Manette variospeed bloqué 100/90
Posté : 29 juin 2024 19:27
par jean claude 2320
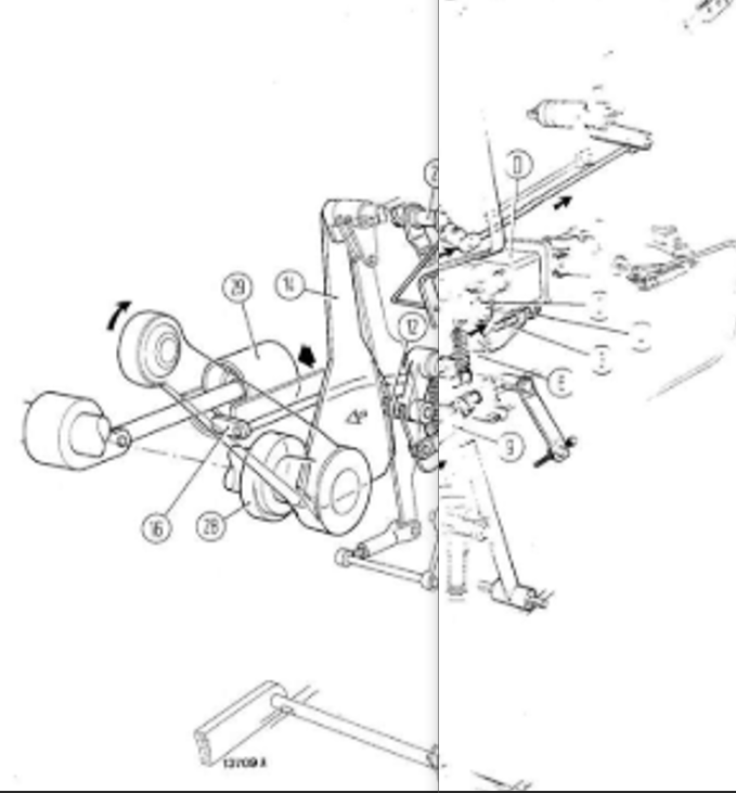
Bonsoir, pour infos les réglages que tu devais avoir avant:
En principe, c'est pas recommandé d'utiliser le relevage "à l'envers"! Arrachement du bloc relevage (sur une autre marque!)

- Serie 90-Variospeed_Lift O Matic_2024-06-29 190927.png (253.54 Kio) Vu 5781 fois

- page 20_ 2024-06-29 202010.png (177.16 Kio) Vu 5775 fois
Re: Manette variospeed bloqué 100/90
Posté : 30 juin 2024 08:34
par jj
vraisemblablement la manette est grippée ou les bagues elle n'a peut etre jamais servi
pour les bagues (dans la cabine) il y a une méthode (à manier avec beaucoup de protection)de les tiédir
Re: Manette variospeed bloqué 100/90
Posté : 30 juin 2024 11:52
par Alexis76
Merci JJ pour ces précisions
Je ne pense pas tripoter à tout ça, en soit le relevage marche bien comme ça, sa vitesse de réaction me convient parfaitement pour mon usage.
J'ai juste été surpris de son non fonctionnement.. je pensais qu'il y avait une manipulation avec un levier secondaire où autre.
Pour le relevage arrière aussi, on y à réfléchi avec le copain de le bloquer avec une barre à trou ou un fer plat mais en regardant de plus prêt l'arrachement du bloc fonte semble évident comme ça.. donc pas touche non plus
Sa m'a surpris car mon avto était en double effet, tu lui faisait faire n'importe quoi
++
Re: Manette variospeed bloqué 100/90
Posté : 30 juin 2024 11:55
par Alexis76
jean claude 2320 a écrit : ↑29 juin 2024 19:27
Bonsoir, pour infos les réglages que tu devais avoir avant:
En principe, c'est pas recommandé d'utiliser le relevage "à l'envers"! Arrachement du bloc relevage (sur une autre marque!)
Serie 90-Variospeed_Lift O Matic_2024-06-29 190927.png
f11210.jpg
PANNE_ 2024-06-29 201455.pngpage 20_ 2024-06-29 202010.png
En tout cas t'a bible semble une mine d'or de vue éclatée pour les réparations.
Tu l'a à proposer en format PDF ?

Re: Manette variospeed bloqué 100/90
Posté : 30 juin 2024 13:22
par jean claude 2320
Voici que le paragraphe " relevage hydraulique".Si tu veux autre chose, tu me le dis:
Re: Manette variospeed bloqué 100/90
Posté : 30 juin 2024 14:13
par jean claude 2320
Pour plus de "clarté" dans le dépliant du pdf:

- 1-1_ 2024-06-30 140544.png (172.38 Kio) Vu 5729 fois
suite du texte ci-dessous:

- 6_2024-06-30 134314.png (137.18 Kio) Vu 5722 fois
Re: Manette variospeed bloqué 100/90
Posté : 30 juin 2024 21:31
par Alexis76
jean claude 2320 a écrit : ↑30 juin 2024 13:22
Voici que le paragraphe " relevage hydraulique".Si tu veux autre chose, tu me le dis:fiat_serie_90_rep_RELEVAGE HYDRAULIQUE_compressed.pdf
Merci beaucoup Jean Claude
Je suis admiratif de vos documents pdf, j'ai beau fouiller le net de long en large, à part le manuel d'utilisation du fiat 100/90 impossible de trouver la bible complète comme le chapitre que tu m'a envoyé
Merci++