Page 1 sur 2
Fuite hydraulique reniflard
Posté : 11 nov. 2025 19:38
par Bombinette 07
J'ai un soucis avec mon tracteur. J'ai deux remorques, une 2 tonnes avec laquelle aucun soucis et une 4 tonnes, avec laquelle je rencontre un problème. Lorsque je la benne (hydrauliquement) aucun soucis, mais a la redescente j'ai du liquide hydraulique qui sort par le reniflard. Qui peut m'aider ?
Cordialement
Re: Fuite hydraulique reniflard
Posté : 11 nov. 2025 20:34
par Someca
Salut
Quelle reniflard coter tracteur ou sur le vérin hydraulique ?
Si c est sur le vérin hydraulique sûrement les joints du piston de vérin qu sont hs
Re: Fuite hydraulique reniflard
Posté : 11 nov. 2025 20:41
par Bombinette 07
Bonsoir, côté tracteur, proche des prises hydraulique
Re: Fuite hydraulique reniflard
Posté : 11 nov. 2025 20:42
par Bombinette 07
Re: Fuite hydraulique reniflard
Posté : 12 nov. 2025 07:17
par Someca
Salut
T on niveau est bon ? Tout les vérins plier à font relvage en bas il n y a pas trop d huile dans le bloc ?
C est quoi comme tracteur ? Il a pas de chargeur ?
Re: Fuite hydraulique reniflard
Posté : 12 nov. 2025 07:28
par jean claude 2320
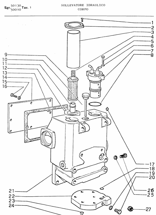
Bonjour, çà doit être le même relevage comme sur les Someca 366 et 466 (Agrifull) relevage MITA :
Re: Fuite hydraulique reniflard
Posté : 12 nov. 2025 07:50
par jean claude 2320
Regarder l'état du filtre hydraulique: bien le nettoyer au fuel , souffler (ou changer)

- Relevage hydraulique AGRIFULL_ 2025-11-12 074503.png (123.07 Kio) Vu 2354 fois

- rel hydr Descrip 1_2025-11-12 074701.png (87.3 Kio) Vu 2354 fois
Re: Fuite hydraulique reniflard
Posté : 12 nov. 2025 08:23
par jj
il s'agit d'un relevage "SAFER"monté sur beaucoup de LAMBORGHINI
Re: Fuite hydraulique reniflard
Posté : 12 nov. 2025 11:20
par Bombinette 07
Bonjour,
C'est un Fiat 474e, en effet c'est bien le relevage en pj.
Le niveau est bon.
Le diamètre du flexible allant a la remorque peut il etre en cause ( diamètre ?)
Re: Fuite hydraulique reniflard
Posté : 12 nov. 2025 13:24
par jean claude 2320
Oui, si le retour d'huile est important, le carter n'a pas le temps de se vider.
D'autre part les 2 leviers fonctionnent bien?
Il ressemble à celui-là: