Donc j
'avance un peu sur mon tracteur 
, bien que pas mal occupé avec le Broyeur, à le descendre de remorque et le mettre sur palette !
Donc, j'ai finalement décidé, de m'attaquer à la partie électrique (schéma, tableau de bord, fils), et je suis content, car j'ai un peu avancé.
En effet, je n'arrivais à allumer aucune diode, ni la
rouge (batterie), ni la
blanche/jaune (éclairage tableau de bord).
Bon, en trifouillant quelques fils, en tirant quelques interrupteurs, pour vérifier les fils, et la conductivité (avec un tournevis/lampe testeur)...
Cela a fini par
s'allumer. Donc j'essaye le
bouton de Démarrage, et ça lance le démarreur. Plus besoin de shunter le démarreur et de le lancer au tournevis...
ET Là,
catastrophe 
, ça se mets à fumer, à sentir le cramé.
"Mer.., qu'est ce que c'est que ça... Vite une clef de 10, où y'en a une, pour enlever une cosse de batterie...".
Je finis par en trouver 1, j'essaye de démonter la cosse rouge, et elle était bloqué... et ça fumait de plus en plus...
"Hey mer..., c'est pas possible, vite ...".
Je fais sur la cosse noire, et ok, elle s'enlève... ca commençait à fumer sévère, en plus proche du réservoir, et à vraiment puer le cramé.
Quelqu'un à deviné ce que c'était ???
Ben,
C'était la résistance de préchauffage, qui brûlait la durite... Mais bon, aucun dégât :
Comme le circuit d'eau est pas monté, ni rempli... ben voila...
Là, la résistance et la durite.
Je reste tout de même étonné que la résistance soit si proche du réservoir, je sais pas si le fuel domestique rouge, ça flambe, ou ça explose, mais chaud...
Et j'ai arrêté, pour ce jour... Je sais pas le bouton de préchauffage doit être bloqué... dés qu'on branche la batterie, elle chauffe...
Même avec le bouton de contacteur général éteint, et ça je trouve vraiment bizarre.
Un problème de masse, je pense, ou de fils qui se touchent.
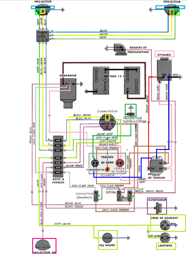
Donc voici, le
schéma électrique amélioré avec des couleurs, j'ai mis les couleurs liées aux couleurs de fils quand je pouvais... (Si ça peut aider quelqu'un un jour).
Un petit boîtier bleu, je pense ça doit être un relai, ou le "régulateur de tension" sur le schéma :
J'ai tracé le + jusqu'au tableau de bord...
Aucun feu, ne marche non plus pour le moment, j'ai vérifié les 2 ampoules (clignotant, feu arrière rouge) du feu arrière droit, les 2 sont bonnes.
Alors, je sais pas, si faut que le moteur soit démarré pour que les phares s'allument, ou si il y a encore d'autres soucis de fils...
Mais globalement, tout le
faisceau électrique est là, doit y'avoir juste 1 petit souci ou 2 à trouver et à régler.
Problème, le peu d'accessibilité des fils sous le tableau de bord.
Ensuite, j'ai refait couler du Fuel, au robinet de réservoir. Je pense pas besoin de le vider/vidanger/vérifier.
Maintenant le fuel coule assez pur.
Bouteille récupérée ce jour : (c'est pas du pinard hein ?
)
On verra demain après décantation, si y'a encore un dépôt !
1ère bouteille récupérée au début, là on voit bien le dépôt, donc ce serait de la paraffine ? C'est grave ?