entretien
Re: entretien
il y a deux gouttes. Je pense que c'est carrément le joint comme tu dis dans ton message. J'ai pas essayé de serrer, ca coute rien, je ferai demain ...
Re: entretien
Salut salut,
J'ai regardé aujourd'hui, la bague grise à droite elle est branlante. Est ce normal ? Ne doit elle pas bouger ?
Ce qui est étonnant c'est quand je bouge le bras de relevage, le goutte à goutte d'intensifie ou se ralenti ...
J'ai regardé aujourd'hui, la bague grise à droite elle est branlante. Est ce normal ? Ne doit elle pas bouger ?
Ce qui est étonnant c'est quand je bouge le bras de relevage, le goutte à goutte d'intensifie ou se ralenti ...
-
thierry 1968
- Fiatagrinaute de Paladium

- Messages : 1696
- Enregistré le : 05 mars 2012 00:00
- x 22
Re: entretien
Bonsoir
ci la barre est usée et les rotules interne ont du jeu ( usée) donc le joint n'arrive pas a comblé l'étanchéité
A + Thierry
ci la barre est usée et les rotules interne ont du jeu ( usée) donc le joint n'arrive pas a comblé l'étanchéité
A + Thierry
Re: entretien
Salut Thierry,
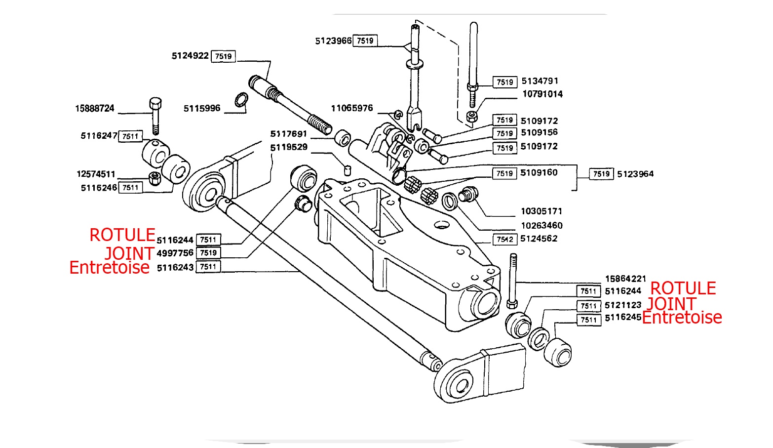
Merci encore une fois de plus pour l'éclaté. J'y vois plus clair.
Je vais m'en occuper prochainement.
Je vous tiendrai au courant !
Merci
Merci encore une fois de plus pour l'éclaté. J'y vois plus clair.
Je vais m'en occuper prochainement.
Je vous tiendrai au courant !
Merci
-
jj
- Fiatagrinaute de Paladium

- Messages : 10192
- Enregistré le : 04 sept. 2012 01:00
- Localisation : PLABENNEC
- x 227
Re: entretien
si tu ne changes que les joints en bout de la barre tu mets ceux de chez IH (série 44 & 45) ils sont
de meilleure qualité
de meilleure qualité
Re: entretien
Salut jj
Ok, c'est noté, merci de ton conseil.
Ok, c'est noté, merci de ton conseil.
Re: entretien
Petite question concernant l'entretoise. Je l'enlève comment pour accéder au joint ? Vous avez une astuce ? Je bute la dessus ce soir ... Je peux pas aller plus loin 
-
thierry 1968
- Fiatagrinaute de Paladium

- Messages : 1696
- Enregistré le : 05 mars 2012 00:00
- x 22
Re: entretien
Bonjour
il faut tourner la rotule d'un quart de tour de façon a ne plus faire rentré la barre de flexion , donc une fois la rotule tourner il suffit de passer la barre par l'autre coté et tapé pour extraire la douille porte joint et rotule par l'extérieur
A + Thierry
il faut tourner la rotule d'un quart de tour de façon a ne plus faire rentré la barre de flexion , donc une fois la rotule tourner il suffit de passer la barre par l'autre coté et tapé pour extraire la douille porte joint et rotule par l'extérieur
A + Thierry
Re: entretien
Salut Thierry
Encore une fois tu m’aides bien
J’ai pas du tout eu l’idée ……
C’est chose faite, tout est sorti.
Encore une fois tu m’aides bien
J’ai pas du tout eu l’idée ……
C’est chose faite, tout est sorti.
