Someca 612, les bases moteur et mécanique...
-
Someca45TP
- Fiatagrinaute d'Argent

- Messages : 196
- Enregistré le : 27 oct. 2022 21:55
- x 2
Re: Someca 612, les bases moteur et mécanique...
Ok, pour le moment "tirette de préchauffage" nettoyée, testée... EN position basse, ça conduit pas.
En position haute, le courant passe. Donc, c'est ok pour ça... C'est réparé.
Quand même, dommage et un peu dangereux, que cette résistance soit branchée avant le contacteur général, sans fusible et en direct.
Car, une personne qui ne modifie pas le "montage électrique", un simple bug de ce bouton, qui se mettrait à conduire et donc à enclencher la "résistance de préchauffage" dans la nuit, ou même en journée en plein fonctionnement ! Et tracteur calcinée le lendemain.
Je trouve bizarre qu'ils aient pas pensé à monter ça différemment !
Ensuite, j'ai vérifié et nettoyée, la boîte à fusible, tous les fusibles sont bons, toutes les pattes conduisent nickel... Ce soir, je vais vérifier le commutateur (code, phare, etc...), ensuite me restera à vérifier tous les fils, des composants du tableau de bord (Diode rouge, Diode blanche, démarreur, commutateur, clignotants (levier MAC), température eau, et horotachymetre, contacteur général...Préchauffage (déjà fait)...).
Et à comprendre les fils, le circuit, avec mon schéma imprimé.
Concernant le "levier MAC" de clignotant ajouté, ce serait donc simplement, un interrupteur à 3 positions.
A gauche, cligno de gauche, au milieu RIEN, à droite, cligno de droite, je suppose ^^ !
En position haute, le courant passe. Donc, c'est ok pour ça... C'est réparé.
Quand même, dommage et un peu dangereux, que cette résistance soit branchée avant le contacteur général, sans fusible et en direct.
Car, une personne qui ne modifie pas le "montage électrique", un simple bug de ce bouton, qui se mettrait à conduire et donc à enclencher la "résistance de préchauffage" dans la nuit, ou même en journée en plein fonctionnement ! Et tracteur calcinée le lendemain.
Je trouve bizarre qu'ils aient pas pensé à monter ça différemment !
Ensuite, j'ai vérifié et nettoyée, la boîte à fusible, tous les fusibles sont bons, toutes les pattes conduisent nickel... Ce soir, je vais vérifier le commutateur (code, phare, etc...), ensuite me restera à vérifier tous les fils, des composants du tableau de bord (Diode rouge, Diode blanche, démarreur, commutateur, clignotants (levier MAC), température eau, et horotachymetre, contacteur général...Préchauffage (déjà fait)...).
Et à comprendre les fils, le circuit, avec mon schéma imprimé.
Concernant le "levier MAC" de clignotant ajouté, ce serait donc simplement, un interrupteur à 3 positions.
A gauche, cligno de gauche, au milieu RIEN, à droite, cligno de droite, je suppose ^^ !
-
Someca45TP
- Fiatagrinaute d'Argent

- Messages : 196
- Enregistré le : 27 oct. 2022 21:55
- x 2
Re: Someca 612, les bases moteur et mécanique...
Bon, alors j'ai un peu avancé.
Mais pfiouuuu complexe, y'en a de partout "des fils et des connecteurs".
Je commence à bien comprendre le schéma, et à bien comprendre le fonctionnement des composants du tableau de bord(TdB) et leurs fils associés...
Y'a les fils d'origines avec les bonnes couleurs derrière le TdB.
J'ai perdu 1h à polir, le cache rouge de la diode de "surcharge"... Que je suis bête, mais j'aime quand même le résultat.
Ensuite, y'a les fils d'origine, mais pleins d'incohérences, je vais devoir tout refaire, tout vérifier.
Mais après je maîtriserais tout, en ce qui concerne les pannes électriques.
Y'a des fils aussi d'origines, qui ne semblent pas tout à fait correspondre au schéma. Ils font la même chose mais de manière différentes. Alors j'sais pas, si c'est d'origine, si ça a été mal replacé, ou si ils ont été déplacé volontairement...
Y'avait des "+" qui bouclait sur eux mêmes. Bref le minimum syndical, pour démarrer, et allumer les diodes. Mais tant mieux, je vais tout refaire et tout comprendre comme ça.
Trois choses donc :
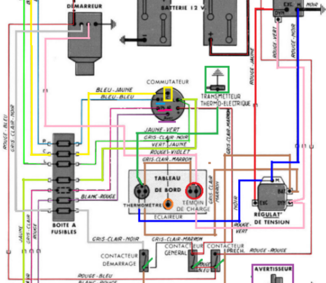
1°) Il est où le régulateur de tension en fait, qui est sur le schéma électrique les pages précédentes ? Il est censé être où et ressembler à quoi sur le tracteur ?
Je pensais, que c'était ça : Mais maintenant, je me demande, si ça c'est pas juste un relai, qui permet aux clignotants de clignoter, et que ça n'a rien à voir avec le régulateur de tension ?
Ou alors ça fait les deux ?
2°) Sans TdB, j'ai branché en direct, la "tirette de préchauffage" sur les deux fils qui sortent de la grosse nappe rouge ci dessous. Comme, le montage là de base, mais sans "pont" qui part, juste la tirette. Ca fonctionne bien, elle chauffe quand on tire, elle s'éteint quand on relâche.
Par contre, je croyais que c'était deux (+) qui arrivaient de cette nappe, mais non apparemment, c'est le + qui vient du démarreur, et le - qui repart à la "résistance de préchauffage".
Et donc, sur le schéma, le "pont" qui prolonge le + est lui branché sur la borne d'arrivée du + du démarreur, alors que là le + n'a pas le "pont", mais il est sur la "borne" du (-) qui repart sur "résistance préchauffage".
Suivant ce dessin :
En gros le "Pont" est sur la borne B Bleu, où y'a le fil bleu -, au lieu d'être sur la borne A Rouge où y'a le fil rouge +.
Contrairement au schéma, qui met le pont sur le fil d'arrivée rouge +. Et donc, monté ainsi, et bien tout le reste du TdB ne fonctionnerait pas, si la "tirette" n'est pas vers le haut, et ne laisse donc pas passer le courant.
Mais pourtant, ça fonctionnait ? Donc, justement parce que la tirette était bloquée et laissait passer le courant ? Ou parce qu'il récupérait un + d'ailleurs ? Ou les deux lol ?
Le montage simple de la tirette ressemble à ça : Je vais toutefois monter un autre coupe circuit quand je pourrai, en protection, ça me permettra de laisser la batterie brancher en toute sécurite.
Et donc, 2ème bizarrerie là dessus, en fait, je sais pas, si on peut accumuler de la tension, en mettant d'autres +... ou en bouclant des + avec mauvais schéma électrique...
Mais quand je l'ai testé la 1ère fois, que ça a commencé à sentir le cramé, et à fumer, la Résistance de Préchauffage, chauffait vachement plus vite et plus fort...
Alors que là dans mon montage unique avec la tirette "sans pont" et sans "rien", elle chauffe raisonnablement et pas violemment. Genre, les bobines rougissent en 20s, et en laissant 1 minute, pas de fumée, pas de cramé, rien...
3°) J'ai nettoyé le commutateur, et testé, Tout est OK, mais il est à l'envers par rapport au schéma, et à l'envers aussi par rapport, aux indications en légende du bouton du commutateur.
Y'a des petites erreurs à gauche à droite. Le fil d'avertisseur, branché sur le + commutateur, et allant à la boîte à fusible, bouclant sur le démarreur...
Et y'a un de ces mondes, sur certaines bornes du commutateur, je pense l'ajout des deux clignotants, entre autres.
Bref, on va remettre ça propre, et tout va fonctionner nickel par magie ? Ça risquerait même de réparer le moteur et l'embrayage non ?
Et donc, je vais peut être repeindre le TdB avant de tout remonter, quitte à plus jamais y toucher, car tout sera bien !
Y'a une peinture spécial ? Un orange someca ? Un peu métallique ?
Peinture Orange de carrosserie en GSB (grande surface de bricolage), que je pourrai mettre dans un pistolet à peinture pneumatique ?
-------------
Je résume car c'est long ?
1°) Le régulateur de tension, c'est où, c'est le boîtier bleu ?
2°) Des incohérences du montage électrique notamment "le pont" ?
3°) Une idée de ce qui pouvait faire chauffer fort et très vite la résistance de préchauffage ? Alors que en montage simple, elle chauffe doucement et calmement ?
4°) Une peinture orange pour carrosserie ?
Je suis souvent long, j'aime développer, et beaucoup expliquer, si vous aimez pas dîtes le moi.
Et je me relis plein de fois, pour enlever des parties et abréger pourtant
!
Chalut !
Mais pfiouuuu complexe, y'en a de partout "des fils et des connecteurs".
Je commence à bien comprendre le schéma, et à bien comprendre le fonctionnement des composants du tableau de bord(TdB) et leurs fils associés...
Y'a les fils d'origines avec les bonnes couleurs derrière le TdB.
J'ai perdu 1h à polir, le cache rouge de la diode de "surcharge"... Que je suis bête, mais j'aime quand même le résultat.
Ensuite, y'a les fils d'origine, mais pleins d'incohérences, je vais devoir tout refaire, tout vérifier.
Mais après je maîtriserais tout, en ce qui concerne les pannes électriques.
Y'a des fils aussi d'origines, qui ne semblent pas tout à fait correspondre au schéma. Ils font la même chose mais de manière différentes. Alors j'sais pas, si c'est d'origine, si ça a été mal replacé, ou si ils ont été déplacé volontairement...
Y'avait des "+" qui bouclait sur eux mêmes. Bref le minimum syndical, pour démarrer, et allumer les diodes. Mais tant mieux, je vais tout refaire et tout comprendre comme ça.
Trois choses donc :
1°) Il est où le régulateur de tension en fait, qui est sur le schéma électrique les pages précédentes ? Il est censé être où et ressembler à quoi sur le tracteur ?
Je pensais, que c'était ça : Mais maintenant, je me demande, si ça c'est pas juste un relai, qui permet aux clignotants de clignoter, et que ça n'a rien à voir avec le régulateur de tension ?
Ou alors ça fait les deux ?
2°) Sans TdB, j'ai branché en direct, la "tirette de préchauffage" sur les deux fils qui sortent de la grosse nappe rouge ci dessous. Comme, le montage là de base, mais sans "pont" qui part, juste la tirette. Ca fonctionne bien, elle chauffe quand on tire, elle s'éteint quand on relâche.
Par contre, je croyais que c'était deux (+) qui arrivaient de cette nappe, mais non apparemment, c'est le + qui vient du démarreur, et le - qui repart à la "résistance de préchauffage".
Et donc, sur le schéma, le "pont" qui prolonge le + est lui branché sur la borne d'arrivée du + du démarreur, alors que là le + n'a pas le "pont", mais il est sur la "borne" du (-) qui repart sur "résistance préchauffage".
Suivant ce dessin :
En gros le "Pont" est sur la borne B Bleu, où y'a le fil bleu -, au lieu d'être sur la borne A Rouge où y'a le fil rouge +.
Contrairement au schéma, qui met le pont sur le fil d'arrivée rouge +. Et donc, monté ainsi, et bien tout le reste du TdB ne fonctionnerait pas, si la "tirette" n'est pas vers le haut, et ne laisse donc pas passer le courant.
Mais pourtant, ça fonctionnait ? Donc, justement parce que la tirette était bloquée et laissait passer le courant ? Ou parce qu'il récupérait un + d'ailleurs ? Ou les deux lol ?
Le montage simple de la tirette ressemble à ça : Je vais toutefois monter un autre coupe circuit quand je pourrai, en protection, ça me permettra de laisser la batterie brancher en toute sécurite.
Et donc, 2ème bizarrerie là dessus, en fait, je sais pas, si on peut accumuler de la tension, en mettant d'autres +... ou en bouclant des + avec mauvais schéma électrique...
Mais quand je l'ai testé la 1ère fois, que ça a commencé à sentir le cramé, et à fumer, la Résistance de Préchauffage, chauffait vachement plus vite et plus fort...
Alors que là dans mon montage unique avec la tirette "sans pont" et sans "rien", elle chauffe raisonnablement et pas violemment. Genre, les bobines rougissent en 20s, et en laissant 1 minute, pas de fumée, pas de cramé, rien...
3°) J'ai nettoyé le commutateur, et testé, Tout est OK, mais il est à l'envers par rapport au schéma, et à l'envers aussi par rapport, aux indications en légende du bouton du commutateur.
Y'a des petites erreurs à gauche à droite. Le fil d'avertisseur, branché sur le + commutateur, et allant à la boîte à fusible, bouclant sur le démarreur...
Et y'a un de ces mondes, sur certaines bornes du commutateur, je pense l'ajout des deux clignotants, entre autres.
Bref, on va remettre ça propre, et tout va fonctionner nickel par magie ? Ça risquerait même de réparer le moteur et l'embrayage non ?
Et donc, je vais peut être repeindre le TdB avant de tout remonter, quitte à plus jamais y toucher, car tout sera bien !
Y'a une peinture spécial ? Un orange someca ? Un peu métallique ?
Peinture Orange de carrosserie en GSB (grande surface de bricolage), que je pourrai mettre dans un pistolet à peinture pneumatique ?
-------------
Je résume car c'est long ?
1°) Le régulateur de tension, c'est où, c'est le boîtier bleu ?
2°) Des incohérences du montage électrique notamment "le pont" ?
3°) Une idée de ce qui pouvait faire chauffer fort et très vite la résistance de préchauffage ? Alors que en montage simple, elle chauffe doucement et calmement ?
4°) Une peinture orange pour carrosserie ?
Je suis souvent long, j'aime développer, et beaucoup expliquer, si vous aimez pas dîtes le moi.
Et je me relis plein de fois, pour enlever des parties et abréger pourtant
Chalut !
-
jj
- Fiatagrinaute de Paladium

- Messages : 10192
- Enregistré le : 04 sept. 2012 01:00
- Localisation : PLABENNEC
- x 227
Re: Someca 612, les bases moteur et mécanique...
tu devrais te méfier un tracteur de plus de 55 ans (?) a un faisceau électrique en mauvais état
d'origine il n'y avait pas de clignotant (obligatoire apres 1970) ni de bonne signalisation arriere
le "truc" bleu n'est certainement pas le régulateur d'origine
je te mets le faisceau du 612
d'origine il n'y avait pas de clignotant (obligatoire apres 1970) ni de bonne signalisation arriere
le "truc" bleu n'est certainement pas le régulateur d'origine
je te mets le faisceau du 612
-
jean claude 2320
- Fiatagrinaute de Paladium

- Messages : 3511
- Enregistré le : 15 avr. 2017 01:00
- Localisation : Béarn, Vic-Bilh
- x 299
- x 211
Re: Someca 612, les bases moteur et mécanique...
Bonjour,
Sur ton tracteur, le câble rouge à gauche on dirait celui qui vient du démarreur .Donc celui qui est branché avec lui , va au contacteur général ? et en plus la gaine avait fondue donc mauvaise isolation et non protégé( risque si fondue à l'intérieur):
-Les 2 câbles ensembles à l'entrée du contacteur de préchauffe:
1) depuis le démarreur ;2) vers contacteur général;
-Le fil à la sortie vers bougie . C'est du (+) obligé. Si tu n'actionnes pas le levier, il n'y a pas de courant mais c'est pas une masse!
Il faut que le contacteur soit branché dans le bon sens :pôle entrée contacteur > avec 2 câbles ensembles. Si tu branches à l'envers le contacteur général ne sera alimenté que quand tu chauffes.
Le régulateur , c'est le boîtier parallélépipédique noir en relation avec la dynamo. Mais il y a un fusible pour le démarreur: fil rouge à gauche.
Les 7 fusibles devraient être de la même couleur bleue puisqu'ils font tous 15 ampères (branchements d'origine).
Sur ton tracteur, le câble rouge à gauche on dirait celui qui vient du démarreur .Donc celui qui est branché avec lui , va au contacteur général ? et en plus la gaine avait fondue donc mauvaise isolation et non protégé( risque si fondue à l'intérieur):
-Les 2 câbles ensembles à l'entrée du contacteur de préchauffe:
1) depuis le démarreur ;2) vers contacteur général;
-Le fil à la sortie vers bougie . C'est du (+) obligé. Si tu n'actionnes pas le levier, il n'y a pas de courant mais c'est pas une masse!
Il faut que le contacteur soit branché dans le bon sens :pôle entrée contacteur > avec 2 câbles ensembles. Si tu branches à l'envers le contacteur général ne sera alimenté que quand tu chauffes.
Le régulateur , c'est le boîtier parallélépipédique noir en relation avec la dynamo. Mais il y a un fusible pour le démarreur: fil rouge à gauche.
Les 7 fusibles devraient être de la même couleur bleue puisqu'ils font tous 15 ampères (branchements d'origine).
-
Someca45TP
- Fiatagrinaute d'Argent

- Messages : 196
- Enregistré le : 27 oct. 2022 21:55
- x 2
Re: Someca 612, les bases moteur et mécanique...
Salut,
j'ai pas avancer au niveau matériel, mais pas mal en compréhension.
jj : le tracteur est de 1965, donc 57 ans oui, le faisceau électrique est en moyen état, mais potable !
Effectivement, comme tu le dis, les clignotants et tous les autres systèmes ont du être ajouté après 1970, et ont rajouté, un petit fouillis.
Pour exemple, j'ai mon, phare arrière gauche comme ceci :
Et oui, cette fois c'est validé, le boîtier bleu n'est pas le régulateur de tension. Mais c'est une centrale clignotante à 3 broches.
jean claude 2320 : En fait, y'a une grosse nappe rouge, avec deux grosses sections cuivrées :
- Le + (rouge) qui vient du démarreur,
- le - (bleu) qui irait à la bobine de préchauffage.
Le "pont" qui va au contacteur général, étant lui sur la borne de "la tirette" où est branché le bleu.
Alors qu'il devrait être sur la rouge + qui vient du démarreur.
Et donc ma conclusion de ceci, comme tu l'as dis, et comme je l'ai dis juste au dessus, je cite :
Si je fais, sans rien branché :
- Cosse Rouge batterie --> fil avec manchon bleu, il s'éclaire.
- Cosse Rouge batterie --> fil avec manchon rouge, il s'éclaire pas ('normal, car + <--> +).
- Cosse Noire batterie --> fil avec manchon rouge, il s'éclaire.
- Cosse Noire batterie --> fil avec manchon bleu, il s'éclaire pas ('normal, car - <--> -).
Donc, d'après cela, le manchon bleu serait une "masse".
Je parle de ces 2 sections cuivrées sortant de la nappe rouge, une avec manchon bleu, l'autre avec manchon rouge : Par contre, où j'irai dans ton sens, c'est que lorsque je tire la tirette, je laisse donc passer le courant à la borne B de la tirette de préchauffage.
Laquelle (Borne B) prolonge le + du démarreur vers contacteur général, via le fil de "pont"' (Ça, c'est le mauvais montage, mais celui qui était présent).
Et laquelle, via la section cuivrée avec manchon bleu, prolongerait aussi le + vers bougie de préchauffage.
Car, si ce manchon bleu est branché sur borne B, quand j'ouvre, il reçoit du + non ? Le + du démarreur qui vient de la Borne A ?
Et pourtant avant branchement, il est chargé en masse, en -. Il s'éclaire avec tournevis testeur, et cosse rouge de batterie.
Donc, soit ce fil est chargé en masse, par erreur et par masse traînante, et quand on lui injecte du +, il devient +...
Soit je sais pas.
Je viens de poser la question, un fil chargé en masse, ne peut pas ensuite devenir un + ? Mais apparemment ce serait ce qui se passe avec le montage actuel, qui est le mauvais, pont au mauvais endroit.
Si je mets le "+ démarreur" sur une borne (n'importe laquelle des deux), elle devient la borne A, et l'autre la borne B, deviendra alimenté que quand je lèverais la tirette !? (affirmation/question
)
Par contre, où vous m'avez fait avancer jj et jean claude 2320 :
Mais, en fait, je viens de comprendre et de vérifier, j'ai un alternateur A14, sur lequel à l'arrière, il y a un régulateur de tension intégré.
Donc, je pense, c'est pas d'origine, mais c'est mieux.
Car d'après ce que j'ai compris, l'alternateur c'est une amélioration de l'ensemble Dynamo (génératrice)/régulateur.
J'ai ça : Au lieu de ça : Ce qui me simplifie un peu le schéma électrique, et je comprends tout de suite mieux.
Et en gros, ce que j'ai compris, c'est que quand l'alternateur fournit + de 12V, il recharge direction la batterie.
Et au démarrage, c'est ma batterie qui envoie vers l'alternateur, pour le lancer.
En fait le courant va dans les deux sens, c'est la tension supérieure qui prends le dessus sur l'inférieure.
Pour la peinture ? Un orange spécial someca ? Ou du orange carrosserie, compatible pistolet pneumatique en GSB ?
j'ai pas avancer au niveau matériel, mais pas mal en compréhension.
jj : le tracteur est de 1965, donc 57 ans oui, le faisceau électrique est en moyen état, mais potable !
Effectivement, comme tu le dis, les clignotants et tous les autres systèmes ont du être ajouté après 1970, et ont rajouté, un petit fouillis.
Pour exemple, j'ai mon, phare arrière gauche comme ceci :
Et oui, cette fois c'est validé, le boîtier bleu n'est pas le régulateur de tension. Mais c'est une centrale clignotante à 3 broches.
jean claude 2320 : En fait, y'a une grosse nappe rouge, avec deux grosses sections cuivrées :
- Le + (rouge) qui vient du démarreur,
- le - (bleu) qui irait à la bobine de préchauffage.
Le "pont" qui va au contacteur général, étant lui sur la borne de "la tirette" où est branché le bleu.
Alors qu'il devrait être sur la rouge + qui vient du démarreur.
Et donc ma conclusion de ceci, comme tu l'as dis, et comme je l'ai dis juste au dessus, je cite :
Tu dis :Et donc, monté ainsi, et bien tout le reste du TdB ne fonctionnerait pas, si la "tirette" n'est pas vers le haut, et ne laisse donc pas passer le courant.
Mais pourtant, ça fonctionnait ? Donc, justement parce que la tirette était bloquée et laissait passer le courant ? Ou parce qu'il récupérait un + d'ailleurs ? Ou les deux lol ?
Ok, alors, je suis mitigé. Avec un tournevis testeur à lampe :-Le fil à la sortie vers bougie . C'est du (+) obligé. Si tu n'actionnes pas le levier, il n'y a pas de courant mais c'est pas une masse!
Si je fais, sans rien branché :
- Cosse Rouge batterie --> fil avec manchon bleu, il s'éclaire.
- Cosse Rouge batterie --> fil avec manchon rouge, il s'éclaire pas ('normal, car + <--> +).
- Cosse Noire batterie --> fil avec manchon rouge, il s'éclaire.
- Cosse Noire batterie --> fil avec manchon bleu, il s'éclaire pas ('normal, car - <--> -).
Donc, d'après cela, le manchon bleu serait une "masse".
Je parle de ces 2 sections cuivrées sortant de la nappe rouge, une avec manchon bleu, l'autre avec manchon rouge : Par contre, où j'irai dans ton sens, c'est que lorsque je tire la tirette, je laisse donc passer le courant à la borne B de la tirette de préchauffage.
Laquelle (Borne B) prolonge le + du démarreur vers contacteur général, via le fil de "pont"' (Ça, c'est le mauvais montage, mais celui qui était présent).
Et laquelle, via la section cuivrée avec manchon bleu, prolongerait aussi le + vers bougie de préchauffage.
Car, si ce manchon bleu est branché sur borne B, quand j'ouvre, il reçoit du + non ? Le + du démarreur qui vient de la Borne A ?
Et pourtant avant branchement, il est chargé en masse, en -. Il s'éclaire avec tournevis testeur, et cosse rouge de batterie.
Donc, soit ce fil est chargé en masse, par erreur et par masse traînante, et quand on lui injecte du +, il devient +...
Soit je sais pas.
Je viens de poser la question, un fil chargé en masse, ne peut pas ensuite devenir un + ? Mais apparemment ce serait ce qui se passe avec le montage actuel, qui est le mauvais, pont au mauvais endroit.
OUI, cependant elle "la tirette de préchauffage" n'est pas polarisée, c'est moi qui choisit le pôle d'entrée, non ?Il faut que le contacteur soit branché dans le bon sens :pôle entrée contacteur > avec 2 câbles ensembles. Si tu branches à l'envers le contacteur général ne sera alimenté que quand tu chauffes.
Si je mets le "+ démarreur" sur une borne (n'importe laquelle des deux), elle devient la borne A, et l'autre la borne B, deviendra alimenté que quand je lèverais la tirette !? (affirmation/question
Par contre, où vous m'avez fait avancer jj et jean claude 2320 :
En fait, je pouvais le chercher ce régulateur de tension...Le régulateur , c'est le boîtier parallélépipédique noir en relation avec la dynamo.
Mais, en fait, je viens de comprendre et de vérifier, j'ai un alternateur A14, sur lequel à l'arrière, il y a un régulateur de tension intégré.
Donc, je pense, c'est pas d'origine, mais c'est mieux.
Car d'après ce que j'ai compris, l'alternateur c'est une amélioration de l'ensemble Dynamo (génératrice)/régulateur.
J'ai ça : Au lieu de ça : Ce qui me simplifie un peu le schéma électrique, et je comprends tout de suite mieux.
Et en gros, ce que j'ai compris, c'est que quand l'alternateur fournit + de 12V, il recharge direction la batterie.
Et au démarrage, c'est ma batterie qui envoie vers l'alternateur, pour le lancer.
En fait le courant va dans les deux sens, c'est la tension supérieure qui prends le dessus sur l'inférieure.
Pour la peinture ? Un orange spécial someca ? Ou du orange carrosserie, compatible pistolet pneumatique en GSB ?
-
jj
- Fiatagrinaute de Paladium

- Messages : 10192
- Enregistré le : 04 sept. 2012 01:00
- Localisation : PLABENNEC
- x 227
Re: Someca 612, les bases moteur et mécanique...
si tu choisis un alternateur l'idéal est de mettre un avec régulateur incorporé
pour l'installation électrique je t'ai donné mon avis
le phare arriere sur un tracteur n'est pas de recul mais un accessoire commandé par un interrupteur
pour l'installation électrique je t'ai donné mon avis
le phare arriere sur un tracteur n'est pas de recul mais un accessoire commandé par un interrupteur
-
jean claude 2320
- Fiatagrinaute de Paladium

- Messages : 3511
- Enregistré le : 15 avr. 2017 01:00
- Localisation : Béarn, Vic-Bilh
- x 299
- x 211
Re: Someca 612, les bases moteur et mécanique...
Sur les contacteurs il faut serrer entièrement les écrous et du wd 40 pour que le courant passe franchement. Le rouge venant du démarreur devrait être branché avec le rouge du contacteur général.
Le bleu seul au préchauffage: attention que ce ne soit pas fondu à l'intérieur de la gaine ( comme c'est le cas au départ) car le préchauffage pourrait être alimenté involontairement par le démarreur ou se mettre à la masse par moments. Si c'est ce montage, il faut mettre des câbles neufs. A vérifier.
Le fusible démarreur (15 amp.) est entre l'excitation du démarreur et le contacteur de démarrage: gratter fusible, wd40, vérifier. S'il est fondu, il ne démarrera pas.
Il suffit de tester un part un à chaque extrémités les fils et câbles pour créer un schéma. Il faut brancher la pince du tournevis témoin sur un câble à pinces(câble de démarrage) qui va au (-) de la batterie pour avoir une masse franche.
C'est pas bon de faire tourner un alternateur non alimenté.
Le bleu seul au préchauffage: attention que ce ne soit pas fondu à l'intérieur de la gaine ( comme c'est le cas au départ) car le préchauffage pourrait être alimenté involontairement par le démarreur ou se mettre à la masse par moments. Si c'est ce montage, il faut mettre des câbles neufs. A vérifier.
Le fusible démarreur (15 amp.) est entre l'excitation du démarreur et le contacteur de démarrage: gratter fusible, wd40, vérifier. S'il est fondu, il ne démarrera pas.
Il suffit de tester un part un à chaque extrémités les fils et câbles pour créer un schéma. Il faut brancher la pince du tournevis témoin sur un câble à pinces(câble de démarrage) qui va au (-) de la batterie pour avoir une masse franche.
C'est pas bon de faire tourner un alternateur non alimenté.
-
Someca45TP
- Fiatagrinaute d'Argent

- Messages : 196
- Enregistré le : 27 oct. 2022 21:55
- x 2
Re: Someca 612, les bases moteur et mécanique...
Salut,
jj, en fait, je choisis pas entre Dynamo(génératrice) + régulateur, et Alternateur + régulateur.
Car c'est déjà, un alternateur avec régulateur incorporé, qui est monté dessus. Donc ça c'est ok !
Ok, ouais pour le phare arrière de recul, ce sera un interrupteur 2 positions (1 rien, 2 phare de recul)...
jean claude 2320, en fait concernant ce manchon bleu, c'est bien censé être un + qui va aux bobines de préchauffage.
Seulement, il est alimenté en masse (en -), avant branchement, sur la tirette de préchauffage.
Il récupère la masse châssis du cadre de l’espèce de cloche qui contient les résistances de préchauffages...
Donc, c'est là que c'est mal isolé, dés le départ : Le bouton de démarreur lui fonctionne bien...
Par contre, j'ai des fusibles de toutes les couleurs, un bleu, un rouge, un jaune, un blanc, un marron, et apparemment ça devrait tous être des bleus... tous des 15, ce qui n'est pas le cas...
Ensuite, jj et jean claude, en ce qui concerne de refaire les câbles cuivres grosses sections (+ démarreur, et + préchauffage).
Je suis en train de me renseigner sur la section, je pense entre 25mm², 35mm² et 55mm²...
Je pense 25mm², c'est suffisant, mais le strict mini !
35mm², c'est bien,
et 55mm², c'est la tranquillité, mais faut pas non plus que les sections soient trop énormes, pour rentrer dans mes cosses de batteries...
Mes sections cuivrés de cosses de batteries font entre 10 et 12mm d'épaisseur.
Mes sections cuivrés, sortant de la nappe rouge, avec manchon rouge (+ démarreur), et manchon bleu (+ préchauffage) font entre 4 et 6mm d'épaisseur...
jj, en fait, je choisis pas entre Dynamo(génératrice) + régulateur, et Alternateur + régulateur.
Car c'est déjà, un alternateur avec régulateur incorporé, qui est monté dessus. Donc ça c'est ok !
Ok, ouais pour le phare arrière de recul, ce sera un interrupteur 2 positions (1 rien, 2 phare de recul)...
jean claude 2320, en fait concernant ce manchon bleu, c'est bien censé être un + qui va aux bobines de préchauffage.
Seulement, il est alimenté en masse (en -), avant branchement, sur la tirette de préchauffage.
Il récupère la masse châssis du cadre de l’espèce de cloche qui contient les résistances de préchauffages...
Donc, c'est là que c'est mal isolé, dés le départ : Le bouton de démarreur lui fonctionne bien...
Par contre, j'ai des fusibles de toutes les couleurs, un bleu, un rouge, un jaune, un blanc, un marron, et apparemment ça devrait tous être des bleus... tous des 15, ce qui n'est pas le cas...
Ensuite, jj et jean claude, en ce qui concerne de refaire les câbles cuivres grosses sections (+ démarreur, et + préchauffage).
Je suis en train de me renseigner sur la section, je pense entre 25mm², 35mm² et 55mm²...
Je pense 25mm², c'est suffisant, mais le strict mini !
35mm², c'est bien,
et 55mm², c'est la tranquillité, mais faut pas non plus que les sections soient trop énormes, pour rentrer dans mes cosses de batteries...
Mes sections cuivrés de cosses de batteries font entre 10 et 12mm d'épaisseur.
Mes sections cuivrés, sortant de la nappe rouge, avec manchon rouge (+ démarreur), et manchon bleu (+ préchauffage) font entre 4 et 6mm d'épaisseur...
-
jj
- Fiatagrinaute de Paladium

- Messages : 10192
- Enregistré le : 04 sept. 2012 01:00
- Localisation : PLABENNEC
- x 227
Re: Someca 612, les bases moteur et mécanique...
je te mets aussi le faisceau électrique du 715 (c'est quasiment le meme)
pour la section du cable tu as deux genres de cosses de batterie : V.L. ou P.L. sur un tracteur c'est la deuxième
pour la section du cable tu as deux genres de cosses de batterie : V.L. ou P.L. sur un tracteur c'est la deuxième