pont avant restant engagé

Pannes concernant le pont, les boites, les freins
benagri
Nouveau Fiatagrinaute
Nouveau Fiatagrinaute
Messages : 3
Enregistré le : 06 oct. 2025 04:26
x 4

pont avant restant engagé

  • Citer
  • Connect toi pour aimer ce post

Message non lu par benagri »

bonjour a tous sur mon f100 j'ai le pont avant qui reste engagé même en activant plusieurs fois l'interrupteur de pont, je cherche l'emplacement de l'électrovanne pour la contrôler et la changer éventuellement et l'emplacement du fusible y correspondant. j'ai également un problème a froid j'ai le témoin de pression d'huile qui est toujours allumé et quand je roule j'ai l'impression d'avoir comme un frein dans le pont le tracteur ne tire pas il peine a prendre de l'élan avez vous déjà eu cela ? et dernier problème a chaud impossible de redémarrer le tracteur comme si le problème venait de la pompe injection je suis obligé de la refroidir pour repartir bizarre.... merci a ceux qui pourront m'éclairer pour tout cela bonne journée
jean claude 2320
Fiatagrinaute de Paladium
Fiatagrinaute de Paladium
Messages : 3505
Enregistré le : 15 avr. 2017 01:00
Localisation : Béarn, Vic-Bilh
x 299
x 211

Re: pont avant restant engagé

  • Citer
  • Connect toi pour aimer ce post

Message non lu par jean claude 2320 »

Bonjour Benoît et bienvenu.
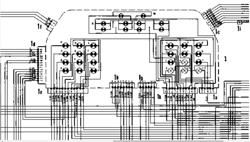
Pour l'enclenchement du pont avant voir le fusible 4 et le relais E1 aussi.
WINNER-Fusibles et relais_ 2025-10-06 080712.png
WINNER-Fusibles_ 2025-10-06 081034.png
WINNER-Relais_ 2025-10-06 081150.png
Schéma élect tabl bord_ 2023-08-21 092034.png
jean claude 2320
Fiatagrinaute de Paladium
Fiatagrinaute de Paladium
Messages : 3505
Enregistré le : 15 avr. 2017 01:00
Localisation : Béarn, Vic-Bilh
x 299
x 211

Re: pont avant restant engagé

  • Citer
  • Connect toi pour aimer ce post

Message non lu par jean claude 2320 »

Tous les schémas et explications
Fichiers joints
fiat_winner_f100_f110_f120_f130_rep_compressed.pdf
(12.95 Mio) Téléchargé 260 fois
jj
Fiatagrinaute de Paladium
Fiatagrinaute de Paladium
Messages : 10190
Enregistré le : 04 sept. 2012 01:00
Localisation : PLABENNEC
x 227

Re: pont avant restant engagé

  • Citer
  • Connect toi pour aimer ce post

Message non lu par jj »

pont avant la commande est en dessous entre la boite et le pont arriere
problème de pression d'huile il faut IMPERATIVEMENT la controler
pour le démarrage à chaud : si ce n'est pas un HI LO tu peux essayer de tirer dessus avec un autre ou sur une pente si c'est un HI LO la meme opération en marche arriere
il est possible que cela vient du démarreur
thierry 1968
Fiatagrinaute de Paladium
Fiatagrinaute de Paladium
Messages : 1696
Enregistré le : 05 mars 2012 00:00
x 22

Re: pont avant restant engagé

  • Citer
  • Connect toi pour aimer ce post

Message non lu par thierry 1968 »

Bonjour

pour le problème de 4RM oui regardé le fusible ( n°4 )et le relay (E1 )
voici l'emplacement des électrovannes coté droite de la transmission
F100.jpg
A + Thierry
benagri
Nouveau Fiatagrinaute
Nouveau Fiatagrinaute
Messages : 3
Enregistré le : 06 oct. 2025 04:26
x 4

Re: pont avant restant engagé

  • Citer
  • Connect toi pour aimer ce post

Message non lu par benagri »

merci a tous pour vos réponses je vais regarder cela et reviens vers vous
thierry 1968
Fiatagrinaute de Paladium
Fiatagrinaute de Paladium
Messages : 1696
Enregistré le : 05 mars 2012 00:00
x 22

Re: pont avant restant engagé

  • Citer
  • Connect toi pour aimer ce post

Message non lu par thierry 1968 »

et pour le voyant de pression d'huile , c'est le voyant de quoi moteur ou hydraulique ou boite ????????

lorsque le moteur tourne et qu'il est bien chaud il s'éteint bien lorsque tu coupe le contact

quel tableau de bord que tu a

A + Thierry
Répondre